NOÇ®°ü¹Ù·½ÍøÕ¾

µçÉȵÆ

NOÇ®°ü¹Ù·½ÍøÕ¾ - ²©³öÒì³£ÈËÉú µ±Ç°µØÎ»£º Ê×Ò³ > ÀûÓÃ>LEDÕÕÃ÷>µçÉȵÆ
ÀûÓÃÃèÊö
µçÉȵÆ£¬×÷Ϊ¿Õµ÷µÄÒ»ÖÖ¸¨ÖúµçÆ÷ʹÓã¬ÒÔÌáÉý¿Õµ÷µÄʹÓÃЧÄÜ¡£µçÉȵƱí¹ÛÃÀÀö£¬ÅäÓÐ·ÖÆçÉ«²Ê·ÖÆç¸ñ¾ÖµÄÉÈÒ¶ºÍµÆÊΣ¬ÓµÓÐÕÕÃ÷¡¢½µÎ¡¢×°è«µÈÖ°ÄÜ
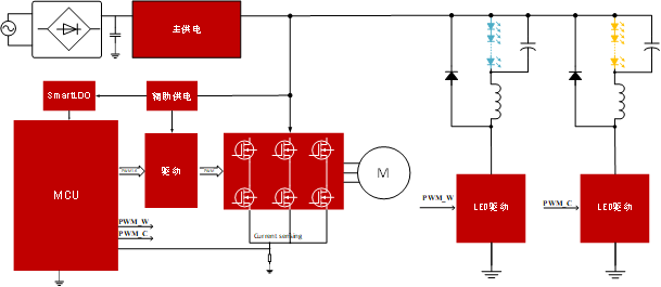
ÀûÓÿòͼ
µçÉȵÆ
¹æ»®Ìصã

    Ò»µÆÁ½Ó㺺¬ÕÕÃ÷ºÍµçÉÈÖ°ÄÜ

    ѡȡÎÞ¸ÐFOCÇý¶¯£¬Ð§Äܸߡ¢ÔËÐа²ÎÈ¡¢ÓÅÒìµÄ¾²Òô³ÉЧ

    ÆëÈ«µÄ±  £»¤»úÔ죺¹ýѹ¡¢Ç·Ñ¹¡¢¹ýÁ÷¡¢¶Âת¡¢È±Ïà¡¢¶Ì·µÈ±  £»¤

Ñ¡ÐÍÍÆ¼ö
ÐͺŲúÆ·ÀàÐÍÃèÊö
BP3519Ö÷¹©µçµÍPF¸ôÀ룬±íÖÃMOS
BP6526B¸¨Öú¹©µçSmartLDO ×î´óÊä³öµçÁ÷150mA, ¸ßЧÄÜ£¬µÍ´ý»ú¹¦ºÄ
LKS32MC037EM6S8B
LKS32MC035EM6S8B
MCU32λMCU£¬RAM 4K£¬FLASH 32K£¬48MHzÖ÷Ƶ£¬¼¯³ÉÔË·Å¡¢±ÈÁ¦Æ÷£¬ÄÚÖÃ40V P+N Predriver
LKS0405CGMOSSOP-8,BVds 40V
BP2523B¸¨Öú¹©µç³ÖÐøµçÁ÷160mA
LKS32MC037M6S8BMCU32λMCU£¬RAM 4K£¬FLASH 32K£¬48MHzÖ÷Ƶ£¬¼¯³ÉÔË·Å¡¢±ÈÁ¦Æ÷
BP6911GatedriverÄÍѹ600V,SOP8
B50T040F
B50T070F
¸ßѹBVds 500V, RDSon_typ 2.9(¦¸)£¬TO252
BVds 500V, RDSon_typ 1.1(¦¸)£¬TO252
LKS1D5005D
LKS1D5007DT
¹¦ÂÊÄ£¿éBVds 500V, RDSon_typ 21.4(¦¸)£¬ESOP13
BVds 500V, RDSon_max 1.1(¦¸)£¬ESOP13
NOÇ®°ü¹Ù·½ÍøÕ¾ - ²©³öÒì³£ÈËÉú
NOÇ®°ü¹Ù·½ÍøÕ¾ - ²©³öÒì³£ÈËÉú
NOÇ®°ü¹Ù·½ÍøÕ¾ - ²©³öÒì³£ÈËÉú
NOÇ®°ü¹Ù·½ÍøÕ¾ - ²©³öÒì³£ÈËÉú
¡¾ÍøÕ¾µØÍ¼¡¿