NOÇ®°ü¹Ù·½ÍøÕ¾

NOÇ®°ü¹Ù·½ÍøÕ¾ - ²©³öÒì³£ÈËÉú µ±Ç°µØÎ»£º Ê×Ò³ ²úÆ·ÖÐÐÄ>LEDÕÕÃ÷Çý¶¯Ð¾Æ¬>µ÷¹â>ÏßÐԿɿعèµ÷¹â
¼òÊö
BP5178BC ÊÇÒ»¿î¸ß¶È¼¯³ÉµÄ¡¢Ö§³ÖµÍѹ¿É¿Ø¹èµ÷¹âµÄ¸ß¾«¶Èµ¥¶ÎÏßÐÔ LED ºãÁ÷Çý¶¯Ð¾Æ¬¡£ÖØÒªÓÃÓÚÊеçÊäÈëµÄ¸ß¹¦ÂÊÒòÊýµÄ¸÷Àà¹âÔ´ºÍµÆ¾ßµÄÇý¶¯£¬Í¬Ê±ÓµÓÐÓÅÁ¼µÄ¿É¿Ø¹èµ÷¹âÆ÷¼æÈÝÐÔ¡£»ùÓÚÏßÐÔºãÁ÷¼¼ÊõµÄ BP5178BC£¬Äܹ»Ê¡È¥µç½âµçÈݺʹÅÐÔÔª¼þÓÐÖúÓÚ LED Çý¶¯Æ÷ʵÏÖÓ×Ìå»ý¡¢³¤ÃüÃü£¬²¢ÇÐºÏ EMI³ß¶È¡£ BP5178BC Äܹ»Í¨¹ý±í²¿µç×辫ȷµØÉ趨 LED µçÁ÷£¬Ð¾Æ¬Í¨¹ýÓÅ»¯·ÖÆçÊäÈëµçѹϵÄÊäÈëµçÁ÷£¬Äܹ»¼õÓ×оƬµÄËðºÄ£¬ÓÅ»¯ÏµÍ³Ð§ÄÜ¡£ BP5178BC ͨ¹ýÉ趨·ÅµçÁ÷£¬Äܹ»ÊµÏÖÓÅÁ¼µÄ¿É¿Ø¹èµ÷¹âÆ÷¼æÈÝÐÔ¡£ BP5178BC ÓµÓйýε÷½ÚÖ°ÄÜ¡£µ±Ð¾Æ¬Î¶ȹý¸ßʱ£¬½«½µµÍÊä³öµçÁ÷¡£
ÓÅÊÆ

    ±íΧµç·µ¥Ò»£¬Çý¶¯Æ÷Ìå»ýÓ×

    ÓÅÁ¼µÄ¿É¿Ø¹èµ÷¹â¼æÈÝÐÔ

    ¼¯³ÉȥƵÉÁÏß·

    ÄÚÖà 350V ¸ßѹ MOS ¹Ü

    ĸÏßµçѹ±ä¶¯Ê¿10%ÈÔ¿ÉÕý³£¹¤×÷

    ¼¯³É¸ßѹÆô¶¯Ïß·£¬³¬¿ì LED Æô¶¯

    ¡À5% LED Êä³öµçÁ÷¾«¶È

    LED µçÁ÷¿É±í²¿É趨

    ÄÚÖùýε÷½ÚÖ°ÄÜ

    ѡȡ SOP8-EP ·â×°

ÀûÓÃÁìÓò
  • GU10/E27 LED ÇòÅݵơ¢Í²µÆ
  • LEDÎü¶¥µÆ
  • ÆäËûLED ÕÕÃ÷
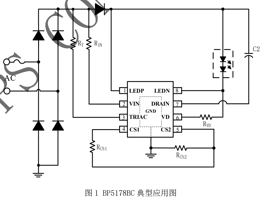
µäÐÍÀûÓõÀÀíͼ
NOÇ®°ü¹Ù·½ÍøÕ¾ - ²©³öÒì³£ÈËÉú
·â×°
  • NOÇ®°ü¹Ù·½ÍøÕ¾ - ²©³öÒì³£ÈËÉú
¼¼ÊõÎĵµ
Îĵ·àÐÍ ±êÌâ ÀàÐÍ ÎļþÏÂÔØ
¹æ¸ñÊé pdf ÆëÈ«°æ
¹æ¸ñÊé BP5178BC pdf ¼òÒ×°æ
NOÇ®°ü¹Ù·½ÍøÕ¾ - ²©³öÒì³£ÈËÉú
NOÇ®°ü¹Ù·½ÍøÕ¾ - ²©³öÒì³£ÈËÉú
NOÇ®°ü¹Ù·½ÍøÕ¾ - ²©³öÒì³£ÈËÉú
NOÇ®°ü¹Ù·½ÍøÕ¾ - ²©³öÒì³£ÈËÉú
¡¾ÍøÕ¾µØÍ¼¡¿