NOÇ®°ü¹Ù·½ÍøÕ¾

NOÇ®°ü¹Ù·½ÍøÕ¾ - ²©³öÒì³£ÈËÉú µ±Ç°µØÎ»£º Ê×Ò³ ²úÆ·ÖÐÐÄ>LEDÕÕÃ÷Çý¶¯Ð¾Æ¬>µ÷¹â>·Ç¸ôÀë PWMµ÷¹â
¼òÊö
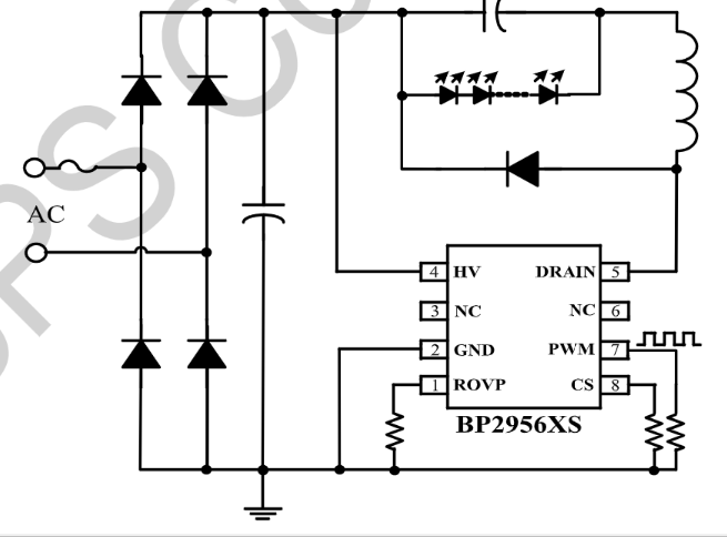
BP2956XS ÊÇÒ»¿îÖ§³ÖPWM ÊäÈëµ÷¹âµÄ¸ß¾«¶È½µÑ¹ÐÍLED ºãÁ÷Çý¶¯Ð¾Æ¬ £¬È«³Ìѡȡ·ÂÕÕµ÷¹â½ÚÔìģʽ £¬×¨ÎªÎÞÆµÉÁÎÞÔëÉù LED ÖÇÄÜÕÕÃ÷ÀûÓöøÉè¼Æ ¡£BP2956XS¿ÉÄÜ´ïµ½ÓÅÒìµÄµ÷¹âÏßÐԶȺÍÊä³öµçÁ÷Ò»ÖÂÐÔ £¬ºÏÓÃÓÚ85Vac~265VacÈ«ÁìÓòÊäÈëµçѹµÄ·Ç¸ôÀ뽵ѹÐÍLEDºãÁ÷µçÔ´ ¡£ BP2956XS оƬ¼¯³É¸ßѹÆô¶¯µç·ºÍ 500V¹¦ÂÊ¹Ü £¬ÎÞÐèVCC µçÈݺ͸¨ÖúÈÆ×é £¬Ö»±ØÒªºÜÉٵıíΧԪ¼þ £¬¼´¿ÉʵÏÖÓÅÒìµÄºãÁ÷¸öÐÔ £¬¼«´óµÄ½ÚÔ¼ÁËϵͳ³É±¾ºÍÌå»ý ¡£BP2956XS оƬÄÚ²¿´øÓи߾«¶ÈµÄµçÁ÷²ÉÑùµç· £¬À´ÊµÏÖ¾«È·µÄ LED ºãÁ÷Êä³öºÍÓÅÒìµÄÏßµçѹµ÷ÕûÂÊ ¡£
ÓÅÊÆ

    Ö§³Ö 1%-100%PWM µ÷¹â

    È«³Ì·ÂÕÕµ÷¹âÎÞÆµÉÁ

    ÎÞÐèÆô¶¯µç×èºÍ VCC µçÈÝ

    ÄÚ²¿¼¯³É 500V ¹¦ÂʹÜ

    Ê¿5% LED Êä³öµçÁ÷¾«¶È

    LED ¿ªÂ·±£»¤

ÀûÓÃÁìÓò
  • LED Îü¶¥µÆ
  • LED ÇòÅݵÆ
  • ÆäËü LED ÕÕÃ÷
µäÐÍÀûÓõÀÀíͼ
NOÇ®°ü¹Ù·½ÍøÕ¾ - ²©³öÒì³£ÈËÉú
·â×°
  • NOÇ®°ü¹Ù·½ÍøÕ¾ - ²©³öÒì³£ÈËÉú
¼¼ÊõÎĵµ
Îĵ·àÐÍ ±êÌâ ÀàÐÍ ÎļþÏÂÔØ
¹æ¸ñÊé BP2956XS pdf ÆëÈ«°æ
NOÇ®°ü¹Ù·½ÍøÕ¾ - ²©³öÒì³£ÈËÉú
NOÇ®°ü¹Ù·½ÍøÕ¾ - ²©³öÒì³£ÈËÉú
NOÇ®°ü¹Ù·½ÍøÕ¾ - ²©³öÒì³£ÈËÉú
NOÇ®°ü¹Ù·½ÍøÕ¾ - ²©³öÒì³£ÈËÉú
¡¾ÍøÕ¾µØÍ¼¡¿