Ö§³Ö 1%-100%PWM µ÷¹â
È«³Ì·ÂÕÕµ÷¹âÎÞÆµÉÁ
ÎÞÐèÆô¶¯µç×èºÍ VCC µçÈÝ
ÄÚ²¿¼¯³É 500V ¹¦ÂʹÜ
¡À5% LED Êä³öµçÁ÷¾«¶È
LED ¿ªÂ·±£»¤
LED ¶Ì·±£»¤
¹ýÈȵ÷½ÚÖ°ÄÜ
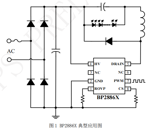
ѡȡ SOP-8 ·â×°
| Îĵ·àÐÍ | ±êÌâ | ÀàÐÍ | ÎļþÏÂÔØ |
| ¹æ¸ñÊé | BP2886B | ÆëÈ«°æ |



