NOÇ®°ü¹Ù·½ÍøÕ¾

NOÇ®°ü¹Ù·½ÍøÕ¾ - ²©³öÒì³£ÈËÉú µ±Ç°µØÎ»£º Ê×Ò³ ²úÆ·ÖÐÐÄ>LEDÕÕÃ÷Çý¶¯Ð¾Æ¬>µ÷¹â>·Ç¸ôÀë PWMµ÷¹â
¼òÊö
BP2887GÊÇÒ»¿îÖ§³Ö PWMÊäÈëµ÷¹âµÄ¸ß¾«¶È½µÑ¹ÐÍLED ºãÁ÷Çý¶¯Ð¾Æ¬£¬È«³Ìѡȡ·ÂÕÕµ÷¹â½ÚÔìģʽ£¬×¨ÎªÎÞÆµÉÁÎÞÔëÉù LED ÖÇÄÜÕÕÃ÷ÀûÓöøÉè¼Æ¡£BP2887G ¿ÉÄÜ´ïµ½ÓÅÒìµÄµ÷¹âÏßÐԶȺÍÊä³öµçÁ÷Ò»ÖÂÐÔ£¬ºÏÓÃÓÚ 85Vac~265Vac È«ÁìÓòÊäÈëµçѹµÄ·Ç¸ôÀ뽵ѹÐÍ LED ºãÁ÷µçÔ´BP2887G оƬ¼¯³É¸ßѹÆô¶¯µç·ºÍ 500V ¹¦ÂʹÜÎÞÐè VCC µçÈݺ͸¨ÖúÈÆ×飬ֻ±ØÒªºÜÉٵıíΧԪ¼þ£¬¼´¿ÉʵÏÖÓÅÒìµÄºãÁ÷¸öÐÔ£¬¼«´óµÄ½ÚÔ¼ÁËϵͳ³É±¾ºÍÌå»ý¡£
ÓÅÊÆ

    Ö§³Ö 1%-100%PWM µ÷¹â

    È«³Ì·ÂÕÕµ÷¹âÎÞÆµÉÁ

    ÎÞÐèÆô¶¯µç×èºÍ VCC µçÈÝ

    ÄÚ²¿¼¯³É 500V ¹¦ÂʹÜ

    ¡À5% LED Êä³öµçÁ÷¾«¶È

    LED ¿ªÂ·±£»¤

    LED ¶Ì·±£»¤

    ¹ýÈȵ÷½ÚÖ°ÄÜ

    ѡȡ DIP7 ·â×°

ÀûÓÃÁìÓò
  • LED Îü¶¥µÆ
  • LED ÇòÅݵÆ
  • ÆäËü LED ÕÕÃ÷
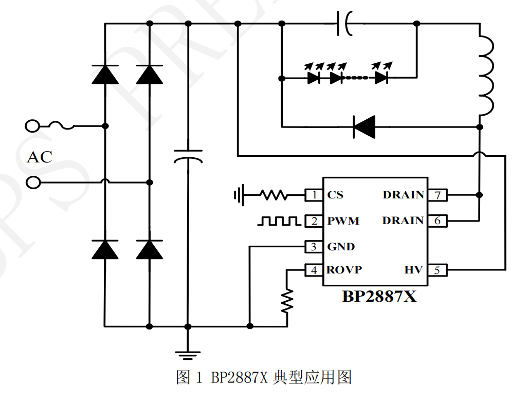
µäÐÍÀûÓõÀÀíͼ
NOÇ®°ü¹Ù·½ÍøÕ¾ - ²©³öÒì³£ÈËÉú
·â×°
  • NOÇ®°ü¹Ù·½ÍøÕ¾ - ²©³öÒì³£ÈËÉú
¼¼ÊõÎĵµ
Îĵ·àÐÍ ±êÌâ ÀàÐÍ ÎļþÏÂÔØ
¹æ¸ñÊé BP2887G pdf ÆëÈ«°æ
NOÇ®°ü¹Ù·½ÍøÕ¾ - ²©³öÒì³£ÈËÉú
NOÇ®°ü¹Ù·½ÍøÕ¾ - ²©³öÒì³£ÈËÉú
NOÇ®°ü¹Ù·½ÍøÕ¾ - ²©³öÒì³£ÈËÉú
NOÇ®°ü¹Ù·½ÍøÕ¾ - ²©³öÒì³£ÈËÉú
¡¾ÍøÕ¾µØÍ¼¡¿