NO钱包官方网站

NO钱包官方网站 - 博出异常人生 当前地位: 首页 产品中心>LED照明驱动芯片>非调光>辅助电源
简述
BP2571DC 是一款直接采样输出电压的高精度低待机功耗的非隔离降压型恒压芯片,输出电压的动态响应快,批量一致性好。合用于 85Vac-265Vac 全电压输入的非隔离电源。BP2571DC芯片内部集成功率MOSFET,选取电压电流节造技术,不必要VCC电容和表部环路赔偿电容,即可实现优异的恒压个性,极大的节约了系统成本和体积。BP2571DC 选取多模式节造技术,并减幼系统工作在轻载时的噪声,并可能从输出电压给芯片供电,有效降低系统待机功耗提高效能。
优势

    优异的动态响应

    直接采样输出电压

    输出电压批量一致性达到士5%以内

    表围精简,电源体积幼

    无需 VCC 电容和供电二极管

    集成续流二极管

    3.3V 或 5V 输出电压

    内部集成功率管

    集成高压启动和供电电路

利用领域
  • 辅助电源
  • 其他利用
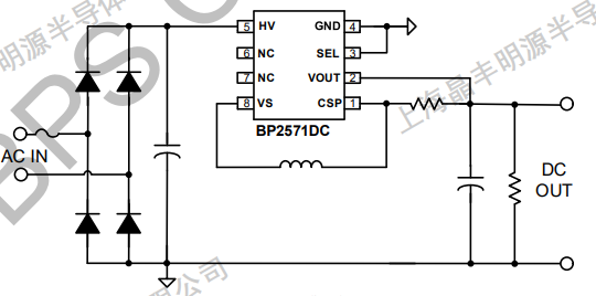
典型利用道理图
NO钱包官方网站 - 博出异常人生
封装
  • NO钱包官方网站 - 博出异常人生
技术文档
文德粪型 标题 类型 文件下载
规格书 BP2571DC pdf 齐全版
NO钱包官方网站 - 博出异常人生
NO钱包官方网站 - 博出异常人生
NO钱包官方网站 - 博出异常人生
NO钱包官方网站 - 博出异常人生
【网站地图】