NOÇ®°ü¹Ù·½ÍøÕ¾

NOÇ®°ü¹Ù·½ÍøÕ¾ - ²©³öÒì³£ÈËÉú µ±Ç°µØÎ»£º Ê×Ò³ ²úÆ·ÖÐÐÄ>LEDÕÕÃ÷Çý¶¯Ð¾Æ¬>·Çµ÷¹â>Boost ºãѹºãÁ÷
¼òÊö
BP2616B ÊÇÒ»¿î¸ßЧÄÜ¡¢¸ß PF ÖµµÄ LED Çý¶¯Ð¾Æ¬¡£Ð¾Æ¬¹¤×÷ÔÚµç¸ÐµçÁ÷ÁÙ½çÂ½ÐøÄ£Ê½£¬ºÏÓÃÓÚȫѹÊäÈë Boost ¼Ü¹¹µÄ LEDÇý¶¯µçÔ´¡£ BP2616B оƬѡȡÏȽøµÄÕ¤¼«Çý¶¯ºÍ¸ßѹ¹©µç·½Ê½£¬Ö»±ØÒªºÜÉٵıíΧԪ¼þ£¬¼´¿ÉʵÏÖÓÅÒìµÄºãÁ÷¸öÐÔ£¬¼«´óµÄ½ÚÔ¼ÁËϵͳ³É±¾ºÍÌå»ý¡£ BP2616B ÓµÓжà³Á± £»¤Ö°ÄÜ£¬Ô̺¬LED¿ªÂ·± £»¤(¹ýѹ± £»¤)оƬζȹýÈȵ÷½ÚµÈ¡£
ÓÅÊÆ

    ÄÚÖà COMP ¹Ø»·ºãÁ÷½ÚÔì

    ÁÙ½çÂ½ÐøµçÁ÷½ÚÔìģʽ

    ¼¯³É600V¸ßѹJFET¹©µç£¬ÎÞVCCµçÈÝ

    ¡À5% LED Êä³öµçÁ÷¾«¶È

    ¾«×¼µÄ LED ¿ªÂ·± £»¤

    RTH É趨¹ýÈȵ÷½ÚÖ°ÄÜ

    ѡȡ SOP-8 ·â×°

ÀûÓÃÁìÓò
  • LED ÇòÅݵÆ
  • LED µÆ
  • ÆäËü LED ÕÕÃ÷
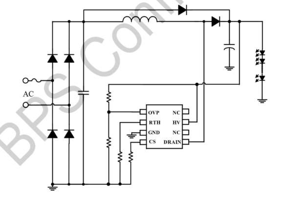
µäÐÍÀûÓõÀÀíͼ
NOÇ®°ü¹Ù·½ÍøÕ¾ - ²©³öÒì³£ÈËÉú
·â×°
  • NOÇ®°ü¹Ù·½ÍøÕ¾ - ²©³öÒì³£ÈËÉú
¼¼ÊõÎĵµ
Îĵ·àÐÍ ±êÌâ ÀàÐÍ ÎļþÏÂÔØ
¹æ¸ñÊé BP2616B pdf ÆëÈ«°æ
NOÇ®°ü¹Ù·½ÍøÕ¾ - ²©³öÒì³£ÈËÉú
NOÇ®°ü¹Ù·½ÍøÕ¾ - ²©³öÒì³£ÈËÉú
NOÇ®°ü¹Ù·½ÍøÕ¾ - ²©³öÒì³£ÈËÉú
NOÇ®°ü¹Ù·½ÍøÕ¾ - ²©³öÒì³£ÈËÉú
¡¾ÍøÕ¾µØÍ¼¡¿