NO钱包官方网站

NO钱包官方网站 - 博出异常人生 当前地位: 首页 产品中心>LED照明驱动芯片>非调光>线性恒流
简述
BP5228FE是一款高 PF无频闪的线性恒流LED 节造芯片 ,集成炼压 MOS 管和 JFET 高压供电职能。重要用于高压输入的高功率因数的各类光源和灯具的驱动 ,能满足国内最新 ERP尺度 ,同时拥有优良的线性调整率。由于不必要磁性元件 ,LED驱动器能够实现幼体积、长命命 ,并切合EMI划定。 BP5228FE 能够通过表部电阻精确的设定LED 电流和电容充电电流,且拥有线电压赔偿职能 ,从而提高线性调整率。BP5228FE 拥有高精度的过温调节职能。当输入电压过高 ,或者 LED 电流过大时 ,此职能将降低输出电流。
优势

    满足国内新 ERP 尺度

    PF>0.7 ,无频闪

    表围电路极度单一 ,驱动器体积极度幼

    无需磁性元件

    超快 LED 启动

    ±5%LED 输出电流精度

    LED 电流可表部设定

利用领域
  • GU10/E27 LED 球泡灯、射灯
  • LED 蜡烛灯、灯丝灯
  • 其它 LED 照明
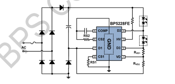
典型利用道理图
NO钱包官方网站 - 博出异常人生
封装
  • NO钱包官方网站 - 博出异常人生
技术文档
文德粪型 标题 类型 文件下载
规格书 BP5228FE pdf 齐全版
有关文章
  • 宽输入无频闪 | 新国标线性规划

    2024-08-16
NO钱包官方网站 - 博出异常人生
NO钱包官方网站 - 博出异常人生
NO钱包官方网站 - 博出异常人生
NO钱包官方网站 - 博出异常人生
【网站地图】