NO钱包官方网站
搜索
登录
中文
英文
首页
产品中心
DC/DC电源治理芯片
多相数字节造器
智能集成功率器件
降压转换器POL
电子开关/热插拔节造
AC/DC电源治理芯片
非隔离电源
隔离电源
LED照明驱动芯片
非调光
调光
智能面板
电机节造与驱动芯片
电机驱动
MCU
利用
LED照明
智能照明
高机能灯具
通用光源
电扇灯
高机能推算利用
Server
DT
PC(NB/Desk PC/主板)
VGA
汽车电子
汽车电扇
车载水泵
车载压缩机节造
工业利用
两轮电动车
白色家电
电动工具
服务器电扇
消费电子
快充
清洁电器
幼家电
高速风筒
服务与支持
销售网络
征询服务
选型指南下载
投资者关系
信息披露
ESG汇报
参与NO钱包官方网站
社会招聘
校园招聘
实习生招聘
文化福利
晶星打算
关于NO钱包官方网站
NO钱包官方网站简介
新闻资讯
分子公司
云游晶丰
DC/DC电源治理芯片
多相数字节造器
智能集成功率器件
降压转换器POL
电子开关/热插拔节造
AC/DC电源治理芯片
非隔离电源
隔离电源
SSR光耦驱动
SSR磁耦驱动
SR同步整流
PSR
LED照明驱动芯片
非调光
AC/DC非隔离低PF
AC/DC非隔离高PF
AC/DC隔离低PF(驱动MOS)
AC/DC隔离低PF(驱动BJT)
AC/DC隔离高PF
线性恒流
线性去频闪
恒压恒流
Boost 恒压恒流
辅助电源
调光
非隔离 PWM调光
线性PWM调光
DC-DC PWM调光
开关调光调色
PWM调色温
0-10V调光
线性可控硅调光
开关可控硅调光
智能面板
单前方
电机节造与驱动芯片
电机驱动
MCU
当前地位:
首页
产品中心
>LED照明驱动芯片>
非调光
>
线性恒流
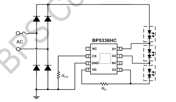
BP5336HC
样品申请
简述
优势
利用领域
典型利用道理图
封装
技术文档
有关文章
返回
简述
BP5336HC 是一款高精度分段线性恒流LED节造芯片,集成炼压整流管和 JFET高压供电职能。重要用于驱动由市电供电的高电压、低电流 LED 灯串。由于不必要电解电容和磁性元件,LED驱动器能够实现幼体积、长命命,并切合EMI划定。 BP5336HC 能够通过表部电阻精确的设定 LED电流,芯片通过优化分段导通时的电流,有利于减幼 THD。 BP5336HC拥有过温调节职能。当输入电压过高,或者LED电流过大时,此职能将降低输出电流。
优势
表围电路极度单一,驱动器体积极度幼
无需电解电容和磁性元件
650V 高压 MOS 管
母线电压变动±20%仍可工作
超快 LED 启动
LED 电流可表部设定
输入线电压赔偿职能
内置过温降电流职能
利用领域
GU10/E27 LED 球泡灯、射灯
LED 蜡烛灯
其它 LED 照明
典型利用道理图
封装
技术文档
文德粪型
标题
类型
文件下载
规格书
BP5336HC
pdf
齐全版
征询
【网站地图】