ÊäÈë 90-277Vac
¸ß PF µÍ THD(PF>0.9£¬THD<15%)
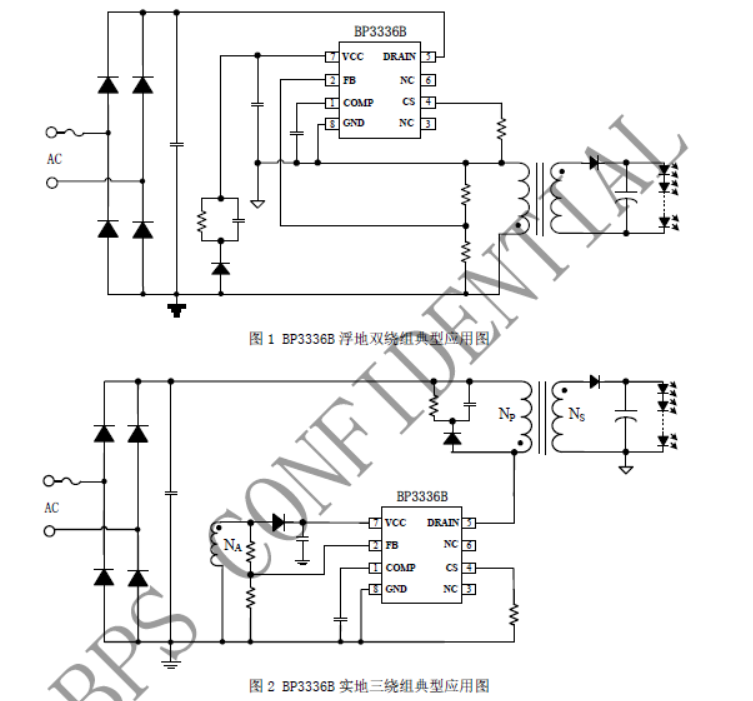
Ö§³ÖË«ÈÆ×é Flyback ÍØÆË£¬ÎÞÐ踨ÖúÈÆ×é
ÄÚÖøßѹÆô¶¯£¬Æô¶¯¹¦·ò<500ms
¸ß¾«¶ÈµçÁ÷²Î¿¼(+/-3%)ÓÅ
ÒìµÄÏßÐÔ¡¢¸ºÔص÷ÕûÂÊ
Áٽ絼ͨģʽµÍ¹¤×÷µçÁ÷
vCc Ç·Ñ¹Ëø¶¨
ÖðÖÜÆÚÏÞÁ÷
Êä³ö¿ªÂ·/¶Ì·±£»¤
¹ýνµµçÁ÷
Ö§³Ö SOP-8 ·â×°
| Îĵ·àÐÍ | ±êÌâ | ÀàÐÍ | ÎļþÏÂÔØ |
| ¹æ¸ñÊé | BP3336B | ÆëÈ«°æ |



