NO钱包官方网站

NO钱包官方网站 - 博出异常人生 当前地位: 首页 产品中心>LED照明驱动芯片>非调光>AC/DC非隔离低PF
简述
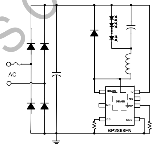
BP2868FN是一款高精度降压型LED(LED)恒流驱动芯片 。芯片工作在电感电流临界陆续模式,合用85 Vac~265Vac全领域输入电压的非隔离降压型LED恒流电源 。芯片ROVP引脚带启用(Enable)职能,合用于开关调色和感应灯利用 。 BP2868FN芯片内部集成500V功率开关,选取特有的退磁检测技术和高压JFET供电技术,无需VCC电容和启动电阻,使其表围器件更单一,节约了表围的成本和体积 。 BP2868FN 芯片内置高精度的电流采样电路,实现高精度的 LED 恒流输出和优异的线电压调整率 。芯片工作在电感电流临界模式,输出电流不随电感量和 LED 工作电压的变动而变动,实现优异的负载调整率 。
优势

    OVP 抗滋扰能力强

    Enable 职能兼容开关调色和感应灯

    无 VCC 电容、无启动电阻

    集成高压供电职能

    表置防潮 OVP 职能

    低母线电压下不闪灯

利用领域
  • LED 蜡烛灯LED 球泡灯
  • 其它 LED 照明
典型利用道理图
NO钱包官方网站 - 博出异常人生
封装
  • NO钱包官方网站 - 博出异常人生
技术文档
文德粪型 标题 类型 文件下载
规格书 BP2868FN pdf 齐全版
NO钱包官方网站 - 博出异常人生
NO钱包官方网站 - 博出异常人生
NO钱包官方网站 - 博出异常人生
NO钱包官方网站 - 博出异常人生
【网站地图】