NO钱包官方网站

简述
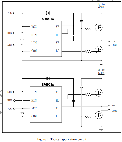
The BP6901A/BP6908A is a high voltage, high speedhalf-bridge pre-driver for power MOSFET and IGBT.It has inputs for both high side and low side, and twooutput channels with internal dead time to avoidcross-conduction. The input logic level is compatible with 3.3V/5V/15Vsignal. The floating high side channel can drive a Nchannel power MOSFET or IGBT up to 600V.
优势

    Floating channel operation up to 600V

    Robust at negative transient voltage

    Gate drive supply range from 10V to 20V

    3.3V, 5V and 15V input logic compatible

    UVLO for both high side and low side

    Built-in 100ns dead time

    Available in SOP8 package

典型利用道理图
NO钱包官方网站 - 博出异常人生
技术文档
文德粪型 标题 类型 文件下载
规格书 BP6901A pdf 简易版 齐全版
NO钱包官方网站 - 博出异常人生
NO钱包官方网站 - 博出异常人生
NO钱包官方网站 - 博出异常人生
NO钱包官方网站 - 博出异常人生
【网站地图】