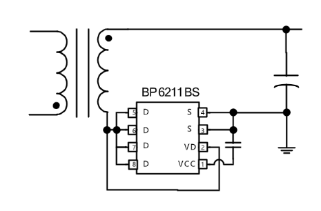
集成 60V同步整流 MOSFET
支持 CCM/DCM/QR 工作模式
自适应驱动电压,超快关断速度,预防CCM 模式
初次级共通
内置振铃检测,预防 DCM 误开明
可用于正端和负端整流
芯片自供电,正端整流无需辅助供电绕组