NO钱包官方网站

NO钱包官方网站 - 博出异常人生 当前地位: 首页 产品中心>AC/DC电源治理芯片>非隔离电源
简述
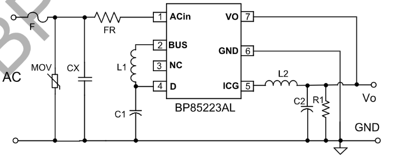
BP85223AL 是一款高机能、高集成度、低待机功耗的开关电源驱动芯片 ,合用于全电压85~265VAC输入的Buck、Buck-Boost 变换器拓扑利用。 BP85223AL 芯片内部集成1600V整流极管、550V高压MOSFET、高压启动和自供电电路、电流采样电路、电压反馈电路以及续流二极管 ,选取先进的节造技术 ,无需表部VCC电容和环路赔偿即可实现优异的恒压输出个性 ,极大地削减表围器件数量 ,降低系统成本和体积 ,提高靠得住性。
优势

    集成 1600V 整流二极管

    集成 VCC 电容、续流二极管和反馈二极管

    内部集成 550V 高压 MOSFET

    集成高压启动和自供电电路

    内置软启动职能

    低待机功耗 50mW@230Vac

利用领域
  • 幼家电辅助电源
  • 电机驱动辅助电源
  • IOT/智能家居/智能照明
典型利用道理图
NO钱包官方网站 - 博出异常人生
封装
  • NO钱包官方网站 - 博出异常人生
技术文档
文德粪型 标题 类型 文件下载
规格书 BP85223AL pdf 齐全版
有关文章
  • BP85223AL | 集成整流桥 ,幼家电电源的"芯"选择

    2024-08-19
NO钱包官方网站 - 博出异常人生
NO钱包官方网站 - 博出异常人生
NO钱包官方网站 - 博出异常人生
NO钱包官方网站 - 博出异常人生
【网站地图】