NO钱包官方网站

Air Conditioning External Unit

Home/commercial air

NO钱包官方网站 - 博出异常人生 current location: Home > Application>Industrial Applications>White Goods>Air Conditioning External Unit
Solution description
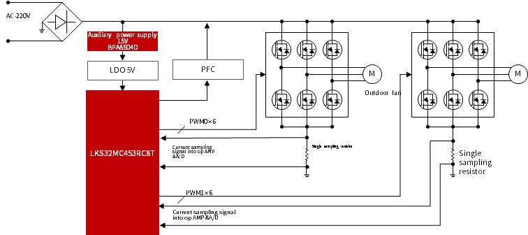
MCU is the core unit of the air conditioning drive system, Jingfeng Mingyuan uses LKS32MC45x/07x series MCU with excellent computing performance and high reliability, with rich functions and stable performance of the compressor/fan control algorithm, supporting the mainstream household/commercial air conditioners on the market. To provide comprehensive and excellent performance solutions.
Application Diagram
Air Conditioning External Unit
Applications

    Home/commercial air conditioning compressor applications

    Home/commercial air conditioner external compressor, fan, PFC 3-in-1 application

    Commercial air conditioning three-way staggered PFC application

Product Recommendation
PNProduct Type 
LKS32MC453MCU
LKS32MC071
LKS561Predrive 
BPA8506DAuxiliary power supply 
1748932038544
【网站地图】