NO钱包官方网站

NO钱包官方网站 - 博出异常人生 current location: Home Product Center>AC/DC Power Management IC>Non-Isolated Power Supply
Sketch
The BP85956Disahighperformance,highlyintegrated power supply switcher lC with low standby!consumption.The BP85956D can be configured asbuck, buck-boost topologies for universal 85-265V ACinputs. The BP85956D integrates a 650 V power MOSFET, ahigh-voltage current source for self-biasing, a currentsensing circuit, an output feedback circuit and acontroller.
Advantage

    Integrated VCC capacitor

    Integrated 650V power MOSFET

    Integrated high-voltage current source for selfbiasing

    50mW no load consumption at 230VAC

    Fixed 12V output

    Fast transient response and low output ripple

Application area
  • Home appliances
  • Motor driver standby power
  • loT, smart home, smart LED drivers
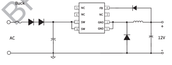
Schematic diagram
NO钱包官方网站 - 博出异常人生
Package
  • NO钱包官方网站 - 博出异常人生
Technical documents
Document type Title Type Download
Specification sheet BP85956D pdf Easy version Full version
1748932038544
【网站地图】