NO钱包官方网站

NO钱包官方网站 - 博出异常人生 current location: Home Product Center>AC/DC Power Management IC>Non-Isolated Power Supply
Sketch
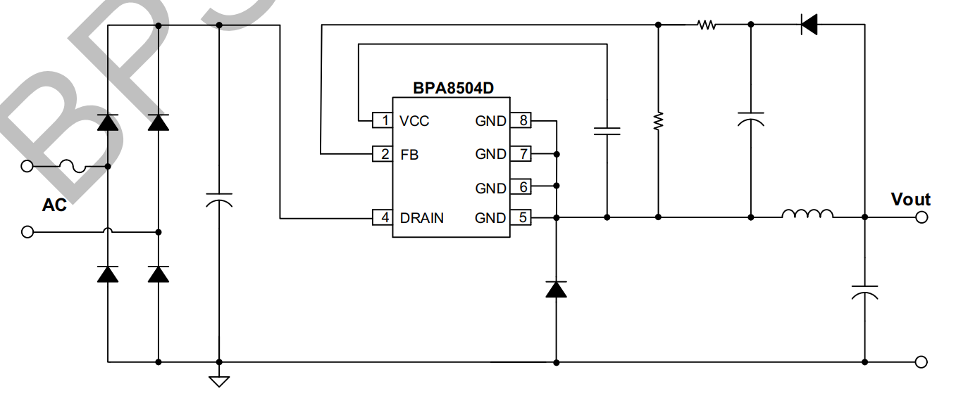
The BPA8504D is a high-performance switcher integratedcircuits with low standby consumption. The BPA8504D canbe easily configured as buck, buck-boost, or flybacktopologies for universal Ac inputs.The BPA8504D integrates a 700V power MOSFET, a high-voltage current source for self-biasing, a current sensingExternal loopcircuit, and an advanced controller.compensation components can be mostly eliminated,which reduces cost and size of overall power systems, andmeantime achieves high reliability
Advantage

    Integrated 700V power MOSFET

    Integrated high-voltage current source for self-biasing

    <100mW no load consumption

    Excellent transient response

    Low output ripple

Application area
  • Home appliances
  • Motor driver standby power supply
  • lOT, smart home, smart LED drivers
  • Industrial controls
Schematic diagram
NO钱包官方网站 - 博出异常人生
Package
  • NO钱包官方网站 - 博出异常人生
Technical documents
Document type Title Type Download
Specification sheet BPA8504D pdf Full version
Related articles
  • The Extremely Quiet BLDC Blender Solution

    2024-11-08
  • The Air-conditioner Outdoor Unit Solution

    2024-07-30
1748932038544
【网站地图】